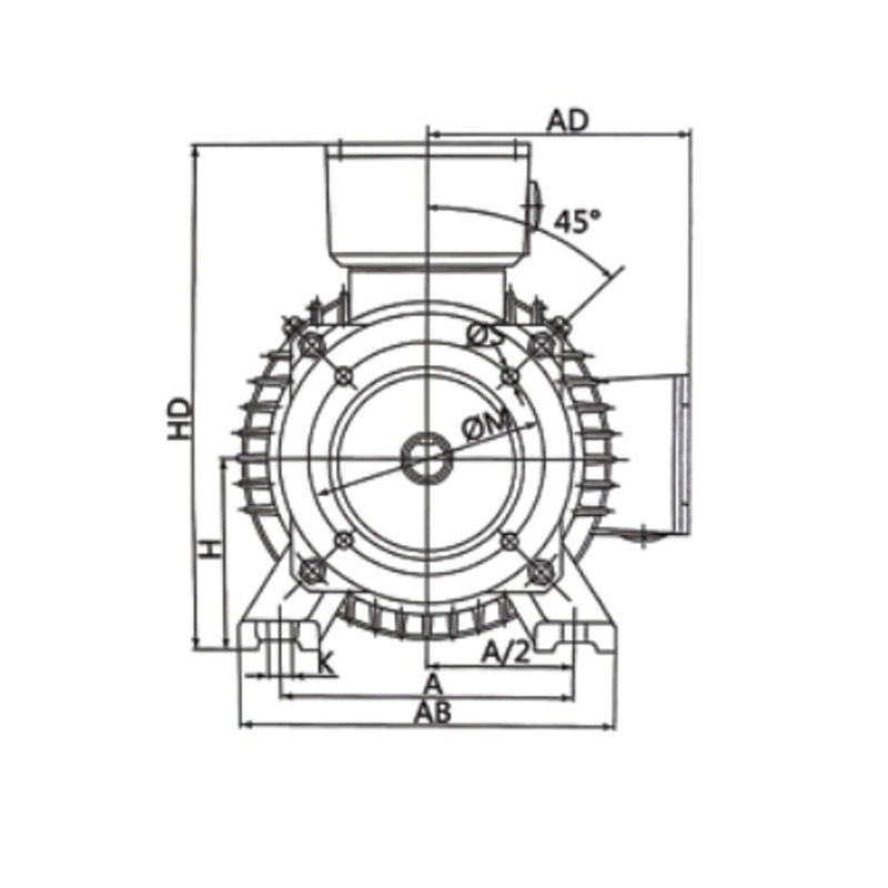
Frame with foot,end shield with flange(screw(B34)
For more information, please send an email or call our hotline
Frame with foot,end shield with flange(screw(B34)
For more information, please send an email or call our hotline
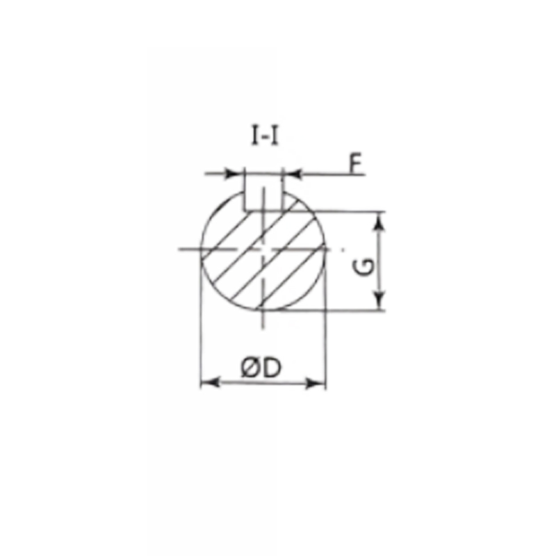
| Frame | Ploes | Mounting dimension(mm) | Overall dimensions(mm) | ||||||||||||||||||||
| A | A/2 | B | C | H | K | D | E | F | G | M | N | P | R | S | T | Holes | AB | AC | AD | HD | L | ||
| 80M | 2.4.6 | 125 | 62.5 | 100 | 50 | 80 | 10 | 19 | 40 | 6 | 15.5 | 100 | 80 | 120 | 0 | M6 | 3 | 4 | 165 | 175 | 145 | 220 | 305 |
| 90S | 2.4.6 | 140 | 70 | 100 | 56 | 90 | 10 | 24 | 50 | 8 | 20 | 115 | 95 | 140 | M8 | 3 | 180 | 205 | 170 | 265 | 360 | ||
| 90L | 2.4.6 | 140 | 70 | 125 | 56 | 90 | 10 | 24 | 50 | 8 | 20 | 115 | 95 | 140 | M8 | 3 | 180 | 205 | 170 | 265 | 390 | ||
| 100L | 2.4.6.8 | 160 | 80 | 140 | 63 | 100 | 12 | 28 | 60 | 8 | 24 | 130 | 110 | 160 | M8 | 3.5 | 205 | 215 | 180 | 270 | 435 | ||
| 112M | 2.4.6.8 | 190 | 95 | 140 | 70 | 112 | 12 | 28 | 60 | 8 | 24 | 130 | 110 | 160 | M8 | 3.5 | 230 | 255 | 200 | 310 | 440 | ||