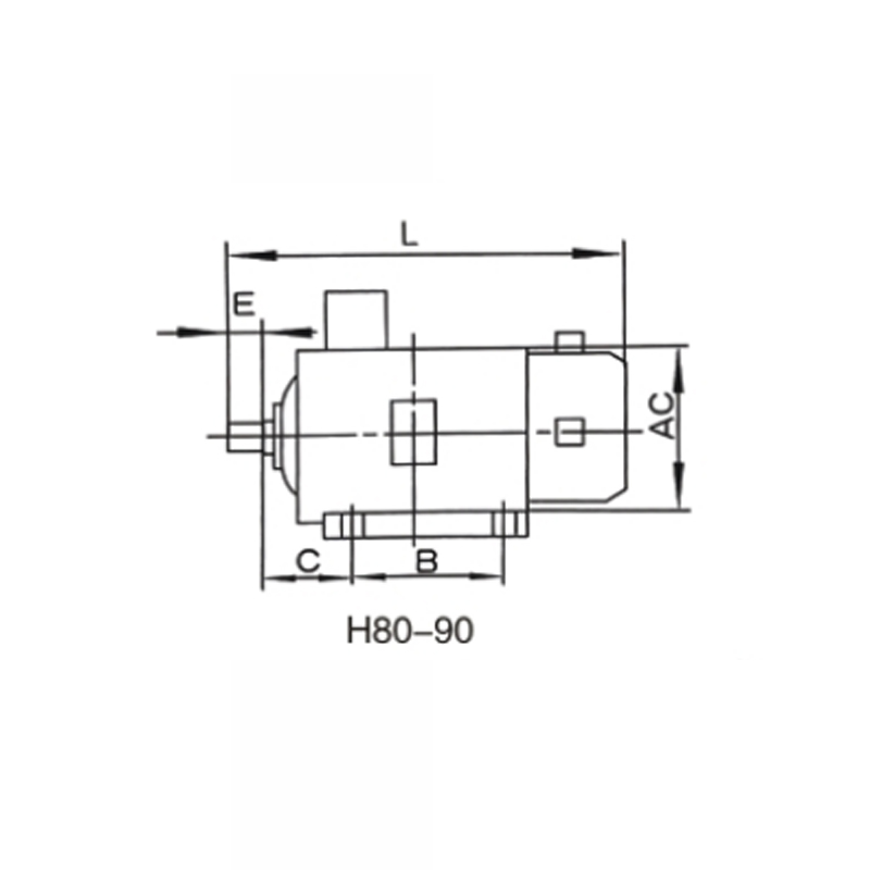
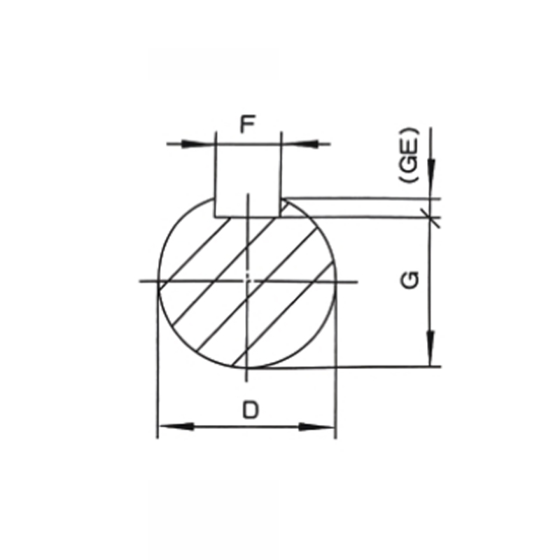
Frame with foot end shield without flange(B3)
For more information, please send an email or call our hotline
Frame with foot end shield without flange(B3)
For more information, please send an email or call our hotline
| Frame with foot end shield without flange(B3) | ||||||||||||||||
| Frame | Ploes | A | A/2 | B | C | H | K | D | E | F | G | AB | AC | AD | HD | L |
| 80M | 2.4 | 125 | 62.5 | 100 | 50 | 80 | 10 | 19 | 40 | 6 | 15.5 | 165 | 175 | 145 | 220 | 395 |
| 90S | 2.4.6 | 140 | 70 | 100 | 56 | 90 | 24 | 50 | 8 | 20 | 180 | 195 | 165 | 260 | 420 | |
| 90L | 125 | 445 | ||||||||||||||
| 100L | 2.4.6.8 | 160 | 80 | 140 | 63 | 100 | 12 | 28 | 60 | 24 | 205 | 215 | 180 | 270 | 480 | |
| 112M | 190 | 95 | 140 | 70 | 112 | 230 | 240 | 190 | 300 | 500 | ||||||
| 132S | 216 | 108 | 140 | 89 | 132 | 38 | 80 | 10 | 33 | 270 | 275 | 210 | 345 | 600 | ||
| 132M | 178 | 640 | ||||||||||||||
| 160M | 2.4.6.8.10 | 254 | 127 | 210 | 108 | 160 | 14.5 | 42 | 110 | 12 | 37 | 320 | 330 | 255 | 420 | 750 |
| 160L | 254 | 800 | ||||||||||||||
| 180M | 249 | 139.5 | 241 | 121 | 180 | 48 | 14 | 42.5 | 355 | 380 | 280 | 455 | 830 | |||
| 180L | 279 | 870 | ||||||||||||||
| 200L | 318 | 159 | 305 | 133 | 200 | 18.5 | 55 | 16 | 49 | 395 | 420 | 305 | 505 | 920 | ||
| 225S | 4.6.8.10 | 356 | 178 | 286 | 149 | 225 | 60 | 140 | 18 | 53 | 435 | 470 | 335 | 560 | 940 | |
| 225M | 2 | 311 | 55 | 110 | 16 | 49 | 940 | |||||||||
| 4.6.8.10 | 60 | 140 | 18 | 53 | 965 | |||||||||||
| 250M | 2 | 406 | 203 | 349 | 168 | 250 | 24 | 490 | 510 | 370 | 615 | 1075 | ||||
| 4.6.8.10 | 65 | 58 | ||||||||||||||
| 280S | 2 | 457 | 228.5 | 368 | 190 | 280 | 550 | 580 | 410 | 680 | 1170 | |||||
| 4.6.8.10 | 75 | 20 | 67.5 | |||||||||||||
| 280M | 2 | 419 | 65 | 18 | 58 | 1220 | ||||||||||
| 4.6.8.10 | 75 | 20 | 67.5 | |||||||||||||
| 315S | 2 | 508 | 254 | 406 | 216 | 315 | 28 | 65 | 18 | 58 | 635 | 645 | 530 | 845 | 1340 | |
| 4.6.8.10 | 80 | 170 | 22 | 71 | 1370 | |||||||||||
| 315M | 2 | 457 | 65 | 140 | 18 | 58 | 1430 | |||||||||
| 4.6.8.10 | 80 | 170 | 22 | 71 | 1460 | |||||||||||
| 315L | 2 | 508 | 65 | 140 | 18 | 58 | 1430 | |||||||||
| 4.6.8.10 | 80 | 170 | 22 | 71 | 1460 | |||||||||||
| 355M | 2 | 610 | 305 | 560 | 254 | 355 | 75 | 140 | 20 | 67.5 | 730 | 710 | 655 | 1010 | 1665 | |
| 4.6.8.10 | 95 | 170 | 25 | 86 | 1695 | |||||||||||
| 355L | 2 | 630 | 75 | 140 | 20 | 67.5 | 1665 | |||||||||
| 4.6.8.10 | 95 | 170 | 25 | 86 | 1695 | |||||||||||